- AltonaLab KIT is a box completed with IoT software, a lot of hardware boards, many well described experiments.
- The included software is perfect for design of complete systems for control and monitoring of real time processes.
- Control by android mobile phone.
- The WEB publisher functions are well developed and supported. A few experiments with WEB monitoring are included in the KIT.
- The KIT includes experiments for Home automation and Irrigation systems.
The experiments below are included in AltonaLab KIT:
- Control of 12V lamp with relay;
- Control of 12V lamp with PWM Regulator;
- Blinking lamp;
- Measure of temperature and humidity;
- Logger for temperature and huidity;
- WEB publisher of the logger data;
- Temperature control of a surface of 12V electrical lamp;
- Simple weather station With WEB site;
- Simple home security system;
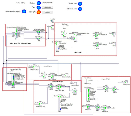
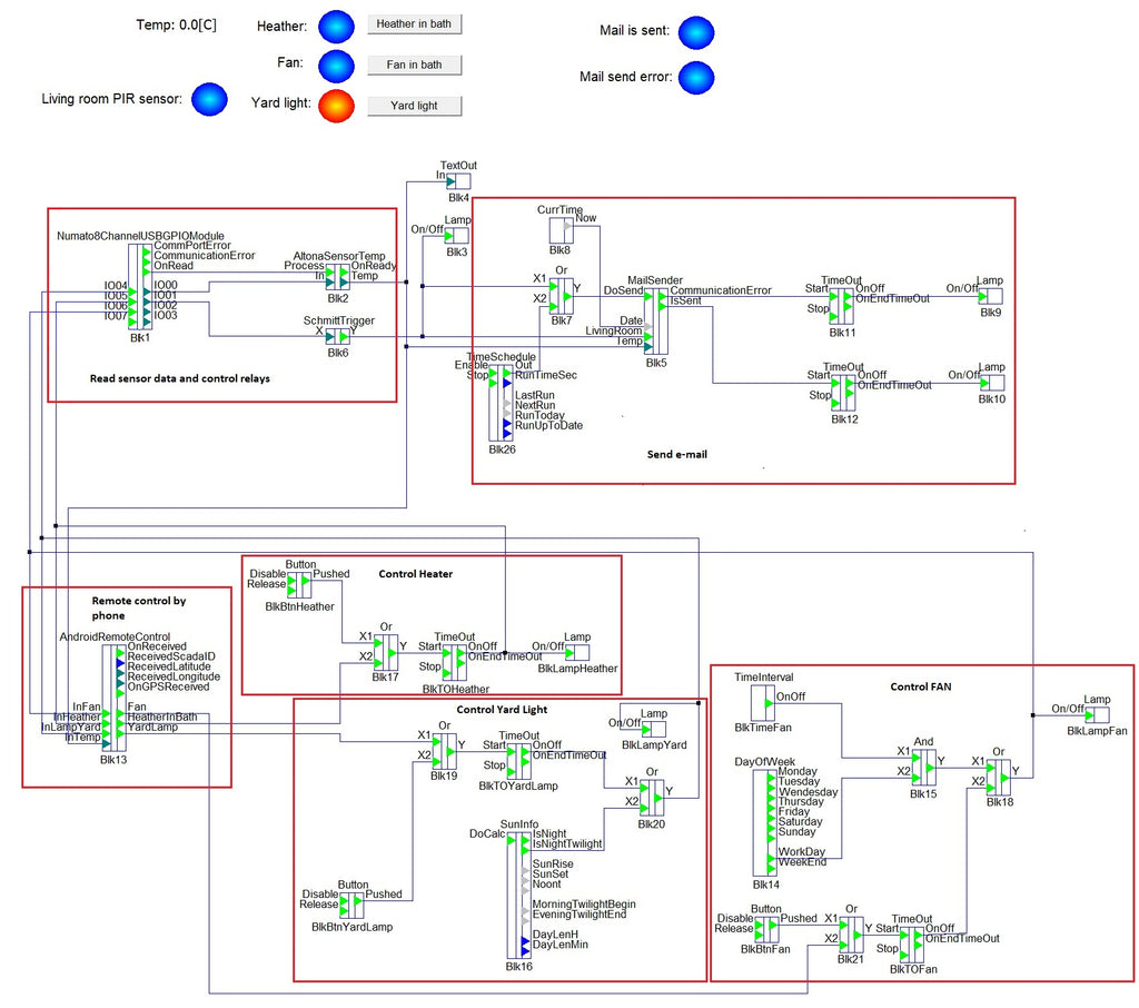
- Home Automation With Additional Control by Phone;
- Measuring the water level in a tank;
- Irrigation by Time;
- Irrigation by Soil humidity;
- Irrigation by Soil humidity and Weather Forecast;
Some KIT diagrams:
Logger of temperature and humidity:


WEB publisher:

Temperature control of 12V lamp:


Home irrigation:

